首页
关于我们
协会动态
行业资讯
会员服务
协会活动
协会动态
· 协会动态
· 通知公告
· 会员风采
政策法规
· 国家政策
· 地方政策
· 标准法规
新闻动态
· 国内资讯
· 国际资讯
服务热线:
010-64022012
首页
>
行业资讯
>
通知公告
>
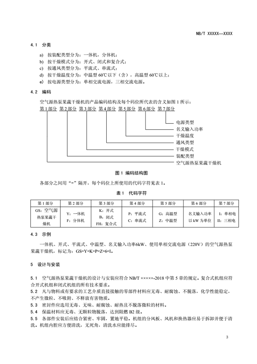
空气源热泵果蔬干燥机(征求意见稿)
空气源热泵果蔬干燥机(征求意见稿)
2018-04-18
附件:
空气源热泵果蔬干燥机(征求意见稿).doc
空气源热泵果蔬干燥机-征求意见汇总处理表.docx
上一篇:
关于举办首期“空气源热泵集中供暖工程设计/施工从业人员岗位能力提升”高级培训班的通知
下一篇:
热泵干燥用涡旋式制冷剂压缩机(征求意见稿)
最新新闻
关于召开“节能降碳服务进企业”暨《节能装备高质量发展实施方案》工业热泵领域宣贯会的通知
2026-03-10
关于举办2026“节能杯”第十一届热泵系统应用设计大赛的通知
2026-03-10
关于举办热泵行业高质量发展论坛暨《2025年中国热泵产业发展年鉴》发布会的通知
2026-03-09